西安交通大学大型仪器共享实验中心(以下简称中心),参照检验检测机构资质认定要求进行管理,目前有实验室两处,一处位于兴庆校区,一处位于创新港校区。
2019年11月20-22日,中心顺利通过国家认证认可监督委员会授权的高校评审组评审,2020年1月7日,获得检验检测机构资质认定(CMA)证书,获得检验检测能力范围26项,并于2025年12月25-26日通过资质认定能力扩项复评审。
目前,中心已获得物质鉴定、环境分析两领域的检测资质能力69项,其中物质鉴定检测能力覆盖有机组分分析、物相与晶体结构、表面分析、无机元素定性、元素定量、物性分析、微区分析七大类31个项目;环境分析检测能力一类—水质(定量)38个项目。对于具有稳定需求的校内外用户,中心经评估后可进行能力扩项。
质量方针
科学、公正、准确、高效。
科学:检验检测活动建立在科学的基础上,遵守国家有关法律、法规,依据产品标准和技术规范。
公正:不受来自内外部的、不正当的商业、财务和其他方面的压力和影响,确保检验检测行为的公正性。
准确:检验检测报告准确无误,无数据或结论性差错,其他方面的差错在中心规定范围内,确保检验检测结果的准确性。
高效:在保证检测数据准确的前提下,提高工作效率,按检测时限出具检测报告,如有特殊情况需双方协商确定。
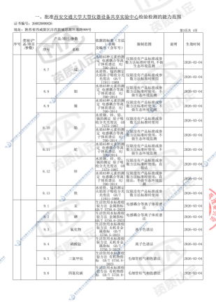
分析测试中心大型仪器设备收费标准明细见附件。
附件:分析测试中心大型仪器设备收费标准明细表--CMA








地址1:西安交通大学兴庆校区分析测试中心 地址2:西安交通大学创新港校区18号楼辅楼 邮箱:lac@xjtu.edu.cn 版权所有:西安交通大学大型仪器设备共享实验中心